Kaszapenge tartó Fella 140307, 122537

Raktáron
egyéb információ
A Fella 140307, 122537 kaszapenge tartó egy kiváló minőségű alkatrész, amelyet kifejezetten Fella mezőgazdasági kaszákhoz fejlesztettek. A tartó biztosítja a kaszapengék stabil és pontos rögzítését, ami kulcsfontosságú a hatékony és folyamatos vágás érdekében.
Cikkszám: 202528773
Gyártó: Utángyártott
Kompatibilitás: Fella
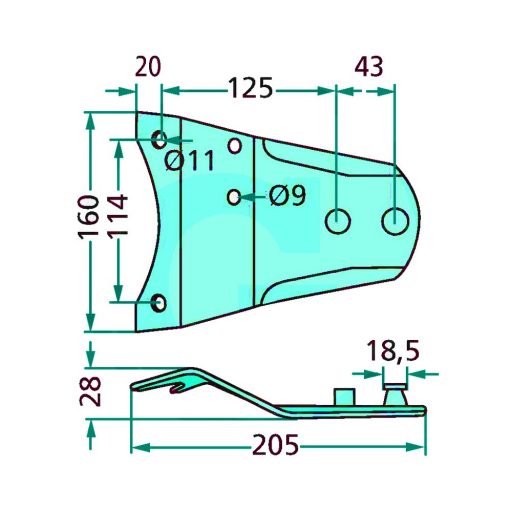
Gyári cikkszámok: 140307, 122537
Az alábbi típusokhoz használható: KM 265, KM 270, KM 310
Szállítási idő:
Raktáron lévő termék esetén Raktáron
A megrendelését 1–3 munkanapon belül kiszállítjuk
A vásárlás után járó pontok: 132 Ft
13 190 Ft
Termék információk:
Gyári cikkszámok: 140307, 122537

TERMÉK INFORMÁCIÓK:

Az alábbiakhoz használható:
Serie KM
KM 265
KM 270
KM 310
Leírás:
A Kaszapenge tartó Fella 140307, 122537 megbízható és nélkülözhetetlen alkatrész minden olyan gazdálkodó számára, aki Fella kaszagépet üzemeltet, és fontosnak tartja a pontos illeszkedést, valamint a hosszú távú üzembiztonságot. Ez a tartóelem kifejezetten a gyári cikkszámoknak megfelelően készült, így garantált a kompatibilitás és a gondtalan beszerelés. A precíz kialakításnak köszönhetően a kaszapenge stabilan rögzül, ami biztosítja a folyamatos, tiszta vágást és a gép zavartalan működését.

A fém alapanyagból készült tartó rendkívül ellenálló a nagy igénybevétellel járó munkafolyamatok során. A kaszálás közben fellépő erők komoly terhelést rónak a rögzítőelemekre, ezért elengedhetetlen a minőségi alkatrészek használata. A Fella kaszákhoz fejlesztett 140307 és 122537 cikkszámú tartó pontosan ezt a biztonságot és tartósságot nyújtja. A stabil tartásnak köszönhetően a pengék nem lazulnak meg, ezáltal a vágási teljesítmény mindig a legmagasabb szinten marad.

A kaszapenge tartó rendszeres ellenőrzése és szükség esetén cseréje alapvető fontosságú a gép karbantartásában. Egy elhasználódott vagy sérült tartóelem nemcsak a vágás minőségét rontja, hanem károsíthatja a kaszapengéket, sőt a kasza teljes szerkezetét is. Ezért a gazdálkodók számára kulcsfontosságú, hogy eredeti méretpontos alkatrészt válasszanak, amely megfelel a gyártói előírásoknak.

A Kaszapenge tartó Fella 140307, 122537 alkalmazásával biztosítható, hogy a kaszálógép mindig megbízhatóan, nagy teljesítménnyel dolgozzon. Ez az alkatrész a hatékony kaszálás és a hosszú élettartam egyik alapköve, amely garantálja a gazdaságos és zavartalan üzemeltetést.
Termékajánló:
Betöltés...
Pénznem
Betöltés...
Belépés
vagy
Elfelejtett jelszó
Betöltés...
Kategóriák
Menüpontok