Walterscheid kardántengely P600, 810 mm, PG30, külső villák nélkül perselyfenékkenéssel

Raktáron
Leírás
A Walterscheid kardántengely P600, 810 mm, PG30, külső villák nélkül perselyfenékkenéssel speciálisan tervezett hajtómű, amely lehetővé teszi az erőátvitelt a traktorokról a különböző mezőgazdasági eszközök, mint például szántóföldi munkagépek, kaszák vagy vetőgépek között. Cikkszáma: GM-4730, kiváló minőségű anyagokból készül, és megbízhatósága révén hozzájárul a mezőgazdasági munka hatékonyabbá tételéhez.
Cikkszám: 202524617
Gyártó: Walterscheid
Kompatibilitás: Univerzális
Gyári cikkszámok: 1113140
méret C: 120 mm
munkagépoldali csatlakozás: nincs AG
traktoroldali csatlakozás: nincs AG
Walterscheid méretek: P600
Weasler méretek: AW26
kereszt készlet: 42 x 104 mm
maximális hossz (L): 1 150 mm
minimális hossz (L): 810 mm
teljesítmény (LE) 1000 ford/percnél: 166 lóerő
teljesítmény (LE) 540 ford/percnél: 107 lóerő
profilcső munkagépoldali: 71,5 x 5 mm
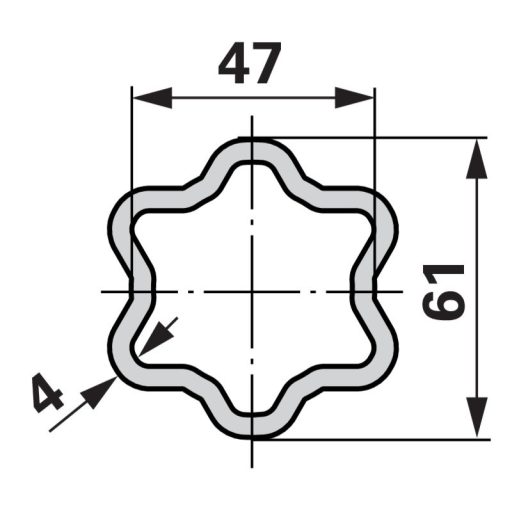
profilcső traktoroldali: 61 x 4,5 mm
védekezési mód: PG30
Szállítási idő:
Raktáron lévő termék esetén Raktáron
A megrendelését 1–3 munkanapon belül kiszállítjuk
A vásárlás után járó pontok: 8 995 Ft
899 490 Ft
Termék információk:
Gyári cikkszámok: 1113140
méret C: 120 mm
munkagépoldali csatlakozás: nincs AG
traktoroldali csatlakozás: nincs AG
Walterscheid méretek: P600
Weasler méretek: AW26
kereszt készlet: 42 x 104 mm
maximális hossz (L): 1 150 mm
minimális hossz (L): 810 mm
teljesítmény (LE) 1000 ford/percnél: 166 lóerő
teljesítmény (LE) 540 ford/percnél: 107 lóerő
profilcső munkagépoldali: 71,5 x 5 mm
profilcső traktoroldali: 61 x 4,5 mm
védekezési mód: PG30

TERMÉK INFORMÁCIÓK:

Termékajánló:
Betöltés...
Pénznem
Betöltés...
Belépés
vagy
Elfelejtett jelszó
Betöltés...
Kategóriák
Menüpontok