Gömbcsuklós csapágy Mac Power GE25FO2RS (25 x 47 mm)

Gömbcsuklós csapágy Mac Power GE25FO2RS (25 x 47 mm)
Gömbcsuklós csapágy Mac Power GE25FO2RS (25 x 47 mm)
Elérhető készlet
egyéb információ
A Gömbcsuklós csapágy Mac Power GE25FO2RS (25 x 47 mm) nagy terhelésre és változó mozgásokra tervezett csuklós csapágy, amely megbízható kapcsolatot biztosít a mozgó alkatrészek között. Kialakítása ellenáll a por, nedvesség és vibráció hatásainak, így hosszú távon stabil működést nyújt. Tartóssága és egyszerű beépíthetősége gazdaságos és üzembiztos megoldást jelent mezőgazdasági gépekhez.
Cikkszám: 202600434
Gyártó: Mac Power
Egység: Egyenként
Tömítés: 2RS
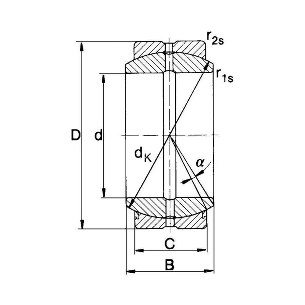
Belső átmérő (d): 25 mm
Külső átmérő (D): 47 mm
Külső gyűrű szélessége (B): 18 mm
Belső gyűrű szélessége (C): 28 mm
Golyó átmérője (dk): 40,7 mm
Szállítási idő:
Elérhető készlet esetén Elérhető készlet
A megrendelését 1–3 munkanapon belül kiszállítjuk
A vásárlás után járó pontok: 27 Ft
2 690 Ft
Termékinformációk
Egység: Egyenként
Tömítés: 2RS
Belső átmérő (d): 25 mm
Külső átmérő (D): 47 mm
Külső gyűrű szélessége (B): 18 mm
Belső gyűrű szélessége (C): 28 mm
Golyó átmérője (dk): 40,7 mm

TERMÉK INFORMÁCIÓK:

Leírás:
A gömbcsuklós csapágyak fontos szerepet töltenek be azokban a gépszerkezeti egységekben, ahol az alkatrészek mozgása során tengelyirányú és szögtorzulásból eredő elmozdulások is felléphetnek. A Mac Power GE25FO2RS jelölésű gömbcsuklós csapágy kifejezetten olyan alkalmazásokhoz készült, ahol a terhelés nem egyetlen irányból érkezik, hanem az alkatrész folyamatosan változó pozícióban dolgozik. A csapágy 25 mm-es belső átmérője és 47 mm-es külső átmérője stabil felfekvést és pontos illeszkedést biztosít, így alkalmas mezőgazdasági gépekhez, konstrukciós mechanizmusokhoz, himbakarokhoz, hidraulikus csatlakozási pontokhoz és más nagy igénybevételnek kitett forgó, lengő vagy csuklós kapcsolatokhoz.

A 2RS tömítéssel ellátott kialakítás biztosítja, hogy a csapágy belseje védve legyen por, nedvesség és szennyeződések ellen. Ez különösen fontos mezőgazdasági környezetben, ahol a gépek gyakran földes, poros és párás körülmények között működnek. A tömítések szerepe nemcsak a külső hatások kizárása, hanem a gyárilag felvitt kenőanyag megtartása is, amely lehetővé teszi a hosszú élettartamot és a megbízható működést anélkül, hogy gyakori karbantartásra vagy zsírzásra lenne szükség. A belső gyűrű 28 mm szélessége és a külső gyűrű 18 mm-es mérete biztosítja a stabil terheléselosztást, míg a 40,7 mm átmérőjű gömbfelület optimális érintkezést hoz létre a csapágy működési felületei között.

A gömbcsuklós csapágy akkor teljesít a legjobban, ha olyan helyre kerül beépítésre, ahol az alkatrésznek képesnek kell lennie a minimális szögeltérések követésére anélkül, hogy a rendszerben feszültség vagy deformáció keletkezne. A GE25FO2RS csapágy ilyen körülmények között képes sima, zajmentes és kopásálló működést fenntartani. A Mac Power gyártási minősége biztosítja, hogy a felhasznált anyagok és felületkezelések ellenálljanak az ütésszerű terhelésnek és a hosszan tartó működésből adódó súrlódásnak.

A csapágy alkalmazása növeli a gép élettartamát, javítja a működés megbízhatóságát és csökkenti a karbantartási költségeket. Ha a cél olyan csuklós kapcsolódási pont kialakítása, amely egyszerre képes ellenállni a változó terheléseknek, biztosítani a sima mozgást és hosszú távú tartósságot nyújtani, akkor ez a GE25FO2RS jelölésű gömbcsuklós csapágy megfelelő választás. Ideális mind olyan felhasználóknak, akik mezőgazdasági gépek javításával foglalkoznak, mind azoknak, akik szerkezeti csuklópontokat építenek új gyártású berendezésekbe, és biztosak akarnak lenni abban, hogy az alkatrész hosszú időn át problémamentesen teljesít.
Termékajánló:
Betöltés...
Gömbcsuklós csapágy Mac Power GE25FO2RS (25 x 47 mm)
Gömbcsuklós csapágy Mac Power GE25FO2RS (25 x 47 mm)
2 690 Ft
Nyelv és pénznem
Betöltés...
Betöltés...
Belépés
vagy
Elfelejtett jelszó
Betöltés...
Kategóriák
Menüpontok